Mercury Mercruiser Marine - STUD (#16-811475)
PRICE:
$5.18
$4.14
Part #: 16-811475
This product is no longer available.
Mercury Assemblies
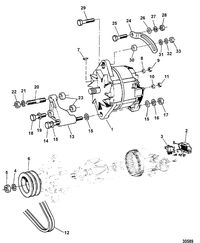
Alternator And Mounting Hardware, 4.2L (200)
MERCRUISERCMD 4.2 MI 200
MERCRUISERCMD 4.2 MI 230
MERCRUISERCMD 4.2 MS 200
MERCRUISERCMD 4.2 MS 230
|
|
ALTERNATOR
MERCRUISERD254 TURBO AC VM 254 I/L6 1990-1993
MERCRUISERD254 TURBO AC (BRAVO) VM 254 I/L6 1990-1993
|
|
Alternator And Mounting Hardware(4.2L 200)
MERCRUISERCMD 4.2 EI 250
MERCRUISERCMD 4.2 EI 270
MERCRUISERCMD 4.2 EI 300
MERCRUISERCMD 4.2 EI 320
MERCRUISERCMD 4.2 ES 250
MERCRUISERCMD 4.2 ES 270
MERCRUISERCMD 4.2 ES 300
MERCRUISERCMD 4.2 ES 320
|
|
ALTERNATOR AND MOUNTING HARDWARE
MERCRUISERD4.2L/200 LD VM 254 I/L6
|
|