• Login
  • Register
Contact Us Shopping Cart 0 $0.00

Performance Product Technologies

  • 💥 On Sale 💥
    • Fresh Water Closed Cooling Systems
    • MerCruiser OEM Exhaust Kit Products
  • Marine Parts
      • Products On Sale
      • Boat Repower Options
      • Marine Exhaust Products
      • Marine Cooling Products
      • Bobtail Marine Engines
      • Long Blocks & Base Engines
      • Marine Transmissions
      • Service Manuals
      • Sterndrives - New & Rebuilt
      • Transom Assemblies
      • Air Filters
      • Anodes
      • Cooling Systems | FWC Kits
      • Cylinder Heads
      • Drive Couplers
      • Electrical | Ignition
      • Exhaust Systems | Manifolds
      • Fuel Systems | Carburetors
      • Mounts | Engine | Transmission
      • Oils | Fluids | Lubes
      • Outboard Accessories
      • Outboard Lower Units
      • Power Trim Pumps
      • Sterndrive Repair Parts | Merc
      • Sterndrive Repair Parts | Volvo
      • Tools & Repair
      • Transmission Repair Parts
      • Transom Repair Parts
      • Water Pump Kits, Alpha Gen 1
      • Water Pump Kits, Alpha Gen 2
      • Water Pump Kits, Bravo
      • Winter Storage
      • Sort by Category
      • Sort by Manufacturer
  • Product Diagrams
    • Search by Serial Number
    • Barr Exhaust
    • Mercruiser Engines & Sterndrives
    • Mercury Outboards
    • Mercury Marine (All Products)
    • Sierra Marine Parts
    • Suzuki Accessories (OEM)
    • Suzuki Outboards
    • Velvet Drive Transmissions
    • Yamaha Accessories (OEM)
    • Yamaha Outboards
    • ZF Hurth Transmissions
  • Resources
    • Technical Library
    • Specifications
    • Videos
    • PPT Blog
FREE USA Shipping Int'l International Shipping Available
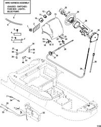
You are here: Shop All Marine Products » SCREW @2 (#62-892712)

Mercury Mercruiser Marine - SCREW @2 (#62-892712)

PRICE:
$0.00
$0.00

Part #: 62-892712

This product is no longer available.

SCREW @2

Mercury Assemblies

Seat Components
INFLATABLESMercury Amanzi 320 Hypalon RIB 2004-2006
INFLATABLESMercury Amanzi 380 Hypalon RIB 2004-2006
INFLATABLES MERCURY AMANZI HYPALON RIB Seat Components
Seat Components
INFLATABLESMercury Amanzi 320 Hypalon RIB 2004-2006
INFLATABLESMercury Amanzi 380 Hypalon RIB 2004-2006
INFLATABLES MERCURY AMANZI HYPALON RIB Seat Components
Steering / Control / Electrical Components
INFLATABLES MERCURY AMANZI HYPALON RIB Steering / Control / Electrical Components
Steering / Control / Electrical Components
INFLATABLES MERCURY AMANZI HYPALON RIB Steering / Control / Electrical Components

+1 (405) 533-3812
8002 West 6th Stillwater, OK 74074
Business Hours: Mon-Fri 9:00–5:30
[email protected]
Wave logo
  • 💥 On Sale 💥
    • Fresh Water Closed Cooling Systems
    • MerCruiser OEM Exhaust Kit Products
  • Marine Parts
    • Popular Items
    • Motors & Sterndrives
    • Engine & Sterndrive Parts
    • Boating Accessories
  • Product Diagrams
    • Search by Serial Number
    • Barr Exhaust
    • Mercruiser Engines & Sterndrives
    • Mercury Outboards
    • Mercury Marine (All Products)
    • Sierra Marine Parts
    • Suzuki Accessories (OEM)
    • Suzuki Outboards
    • Velvet Drive Transmissions
    • Yamaha Accessories (OEM)
    • Yamaha Outboards
    • ZF Hurth Transmissions
  • Resources
    • Technical Library
    • Specifications
    • Videos
    • PPT Blog
  • Contact Us
  • Our Company
  • Our Blog
  • Policies & Terms
  • Sitemap
Copyright © 2025 Performance Product Technologies