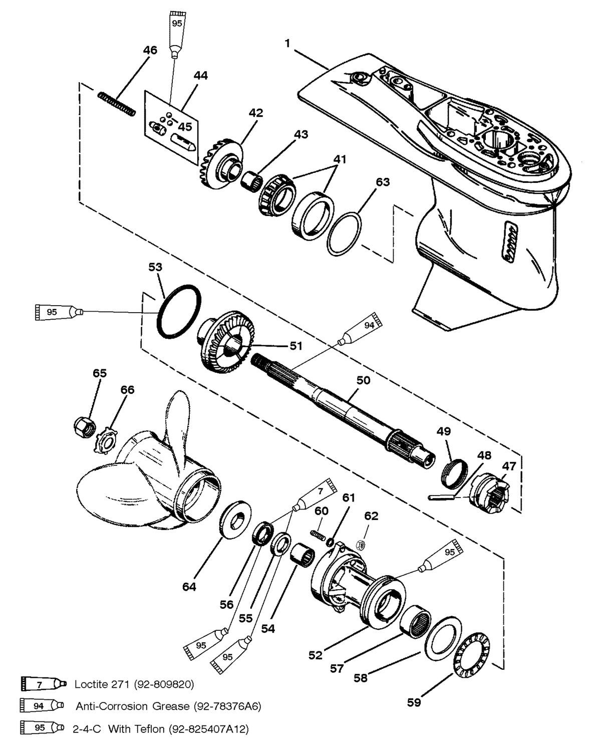
MERCURY - 45 JET - GEAR HSG(PROP SHAFT)(60 SEA/MARA/BIG FOOT, 3 JAW REV. CLUTCH
Ref ID | Description | Price | ||
---|---|---|---|---|
- |
(LONG 20 IN.) BLACK
|
$2,568.10
|
|
|
- |
(LL-22-1/2 IN) BLACK
|
$2,568.10
|
|
|
- |
(LONG-20 IN.) GRAY
|
NLA
|
||
- |
(LL-22-1/2 IN) GRAY
|
NLA
|
||
1 |
(BLACK)
|
$1,698.23
|
|
|
1 |
(GRAY)
|
NLA
|
||
41 |
|
$58.08
|
|
|
42 |
|
$459.27
|
|
|
43 |
|
$19.92
|
|
|
44 |
|
$51.36
|
|
|
45 |
Qty Required For Repair: 3
Minimum Order Qty: 3 |
$2.24
|
|
|
46 |
|
$5.36
|
|
|
47 |
Supersedes: 52-822539, 52-814756, 52-12777
|
$255.10
|
|
|
48 |
Minimum Order Qty: 3
Supersedes: 17-8M0084681, 17-8M0020941, 17-30632 |
$3.60
|
|
|
49 |
Minimum Order Qty: 2
|
$2.16
|
|
|
50 |
|
$578.77
|
|
|
51 |
|
$106.38
|
|
|
52 |
|
$265.75
|
|
|
53 |
|
$6.40
|
|
|
54 |
|
$18.64
|
|
|
55 |
|
$16.50
|
|
|
56 |
|
$21.52
|
|
|
57 |
|
$32.48
|
|
|
58 |
|
$10.72
|
|
|
59 |
|
$26.16
|
|
|
60 |
Qty Required For Repair: 2
Supersedes: 16-42917 2 |
$5.12
|
|
|
61 |
Qty Required For Repair: 2
Minimum Order Qty: 5 Supersedes: 12-70132 |
$1.44
|
|
|
62 |
Qty Required For Repair: 2
|
$8.32
|
|
|
63 |
|
NLA
|
||
64 |
Minimum Order Qty: 2
|
$22.63
|
|
|
65 |
|
$15.01
|
|
|
66 |
Minimum Order Qty: 2
Supersedes: 14-816629, 14-31210, 14-816629B |
$5.39
|
|
|
- |
|
$89.68
|
|


Notes
7: SEE NOTE ON GEAR HOUSING CHART BEFORE ORDERING FROM THIS PAGE.