Mercury Mercruiser Marine - HARNESS ASSY (#84-881262A2)

PRICE:
$44.08
$42.32

Part #: 84-881262A2

For shipping estimate:

Add to cart then visit your shopping cart to see shipping options and costs.

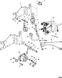
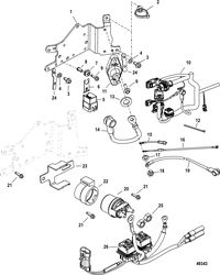
HARNESS ASSY
HARNESS ASSY

Mercury Assemblies

Electrical Plate Components
MERCURY 225 PRO XS (3.0L) DFI Electrical Plate Components
Solenoid Plate
RACE OUTBOARD225 SPORT XS (3L)
RACE OUTBOARD 225 SPORT XS DFI (3.0L) Solenoid Plate
Electrical Plate Components, SN# 1E051473 and below
RACE OUTBOARD300XS (3.2L DFI)
RACE OUTBOARD 300XS (3.2L) Electrical Plate Components, SN# 1E051473 and below
Electrical Plate Components, SN# 1E051474 and up
RACE OUTBOARD 300XS (3.2L) Electrical Plate Components, SN# 1E051474 and up
Solenoid Plate(Serial Number 1B227000 & Up)
MERCURY/MARINER 200/225/250 (3.0L) SEAPRO/MARATHON EFI Solenoid Plate(Serial Number 1B227000 & Up)
Solenoid Plate(Serial Number 1B226999 & Below)
MARINER225 (3.0L EFI) MARATHON
MERCURY225 (3.0L EFI) SEAPRO
MERCURY/MARINER 200/225/250 (3.0L) SEAPRO/MARATHON EFI Solenoid Plate(Serial Number 1B226999 & Below)
Solenoid Plate
MERCURY/MARINER 200/225 (3.0L)(MECHANICAL) Solenoid Plate
Solenoid Plate
MERCURY250 LONG (3.0L)(EFI)
MERCURY/MARINER 250 EFI LONG (3.0L) Solenoid Plate
SOLENOID PLATE
MERCURY/MARINER 200/225 DFI (3.0L) SOLENOID PLATE
Solenoid Plate(Serial Number 0T979999 and Below)
MERCURY200 (3.0L DFI)(DTS)
MERCURY225 (3.0L-DFI)(DTS)
MERCURY/MARINER 200/225 DFI (3.0L)(DTS) Solenoid Plate(Serial Number 0T979999 and Below)
ELECTRICAL PLATE ASSEMBLY
MERCURYV-135 DFI (2.5L)
MARINERV-150 DFI (2.5L)
MARINERV-175 DFI (2.5L)
MERCURY/MARINER 135/150/175 DFI (2.5L) ELECTRICAL PLATE ASSEMBLY
Engine Harness (Serial Number 0T980000 thru 1B226999)
MERCURY/MARINER 200/225 DFI (3.0L)(DTS) Engine Harness   (Serial Number 0T980000 thru 1B226999)
Engine Harness(Serial Number 1B227000 and Up)
MERCURY/MARINER 200/225 DFI (3.0L)(DTS) Engine Harness(Serial Number 1B227000 and Up)
SOLENOID PLATE
MERCURY200 (3.0L EFI)
MARINER225 (3.0L EFI)
MARINER250 (3.0L EFI)
MARINER3.0L EFI MARATHON
MERCURY3.0L EFI SEAPRO
MERCURY/MARINER 200/225/250 (3.0L) SEAPRO/MARATHON EFI SOLENOID PLATE
Electrical Plate Assembly
RACE OUTBOARD200XS DFI (2.5L)
RACE OUTBOARD 200XS DFI (2.5L) Electrical Plate Assembly
Electrical Plate Assembly
RACE OUTBOARD200XS DFI (2.5L) ROS
RACE OUTBOARD 200XS DFI (2.5L) ROS Electrical Plate Assembly
Electrical Plate Components
MERCURY/MARINER 200 OPTIMAX V6 DFI Electrical Plate Components
Solenoid Plate
RACE OUTBOARD300X (3.0L EFI) PRO MAX
RACE OUTBOARD 300X EFI (3.0L) Solenoid Plate
Solenoid Plate
RACE OUTBOARD 250XS DFI (3.0L) Solenoid Plate
Electrical Plate Assembly
MERCURY/MARINER 135/150/175 DFI (2.5L) Electrical Plate Assembly
Solenoid Plate
RACE OUTBOARD 250XS DFI (3.0L) Solenoid Plate
Solenoid Plate
MERCURY225 PRO XS (3.0L DFI)
MERCURY 225 PRO XS (3.0L) DFI Solenoid Plate
Electrical Plate Components, SN# 1B884207 and below
MERCURY 225/250 PRO XS (3.0L) Electrical Plate Components, SN# 1B884207 and below
Solenoid Plate(Serial Number 1B226999 & Below)
MERCURY200 (DFI) 3.0L
MERCURY225 (DFI) 3.0L
MERCURY/MARINER 200/225 DFI (3.0L) Solenoid Plate(Serial Number 1B226999 & Below)
Solenoid Plate(Serial Number 1B227000 & Up)
MERCURY/MARINER 200/225 DFI (3.0L) Solenoid Plate(Serial Number 1B227000 & Up)
Electrical Plate Assembly
MERCURY/MARINER 135/150/175 DFI (2.5L) Electrical Plate Assembly
Electrical Plate Assembly, Serial Number 1B490865 and Below
MERCURY110 Jet (2.5L)
MERCURY/MARINER 135/150/175 DFI  - 2.5L Electrical Plate Assembly, Serial Number 1B490865 and Below
Electrical Plate Components, SN# 1E051474 and up
RACE OUTBOARD 250XS / 250 SPORTXS DFI (3.0L) Electrical Plate Components, SN# 1E051474 and up
Electrical Plate Components, SN# 1E051473 and below
RACE OUTBOARD250 Sport XS
RACE OUTBOARD 250XS / 250 SPORTXS DFI (3.0L) Electrical Plate Components, SN# 1E051473 and below
Electrical Plate Assembly, Serial Number 1B490866 and Up
MERCURY/MARINER 135/150/175 DFI  - 2.5L Electrical Plate Assembly, Serial Number 1B490866 and Up
Solenoid Plate
MERCURY/MARINER 200/225/250 (3.0L) SEAPRO/MARATHON EFI Solenoid Plate
Electrical Plate Components, SN# 1E051473 and below
RACE OUTBOARD225 SPORT XS
RACE OUTBOARD225 XS
RACE OUTBOARD 225XS / 225 SPORT XS DFI (3.0L) Electrical Plate Components, SN# 1E051473 and below
Electrical Plate Components, SN# 1E051474 and up
RACE OUTBOARD 225XS / 225 SPORT XS DFI (3.0L) Electrical Plate Components, SN# 1E051474 and up
Electrical Plate Components
MERCURY/MARINER 200/225 DFI   3.0L/DTS Electrical Plate Components
Electrical Plate Assembly
MERCURY175 PROXS (2.5L)
MERCURY/MARINER 175 PROXS (2.5L) Electrical Plate Assembly
Engine Harness
MERCURY/MARINER 200/225 DFI (3.0L)(DTS) Engine Harness
Solenoid Plate And Electrical Wiring
RACE OUTBOARD250XS (3.0L DFI)
RACE OUTBOARD 250 XS(3.0L DFI) Solenoid Plate And Electrical Wiring
SOLENOID PLATE
MERCURY200 (DFI)
MERCURY225 (DFI)
MERCURY/MARINER 200/225 (3.0L DFI) SOLENOID PLATE
Electrical Plate Components, SN# 1B884208 and up
MERCURY 225/250 PRO XS (3.0L) Electrical Plate Components, SN# 1B884208 and up
Solenoid Plate
RACE OUTBOARD 250XS DFI (3.0L) Solenoid Plate
Electrical Plate Components
MERCURY250 PRO XS (3.0L DFI)
MERCURY 250 PRO XS (3.0L) Electrical Plate Components
Electrical Plate Assembly
RACE OUTBOARD200XS SST
RACE OUTBOARD 200XS SST Electrical Plate Assembly
Electrical Plate Assembly
MERCURY150 Pro XS (2.5L)
MERCURY/MARINER 150 PRO XS (2.5L) Electrical Plate Assembly
Electrical Plate Components, SN# 1B884207 and below
MERCURY200 PRO XS (DFI) 3.0L
MERCURY250 (DFI) 3.0L
MERCURY/MARINER 200/225/250/200 PRO XS (3.0L)(MECHANICAL) Electrical Plate Components, SN# 1B884207 and below
Electrical Plate Components, SN# 1B884208 and up
MERCURY/MARINER 200/225/250/200 PRO XS (3.0L)(MECHANICAL) Electrical Plate Components, SN# 1B884208 and up
Electrical Plate Components
RACE OUTBOARD JP5 3.0L DFI Electrical Plate Components
Solenoid Plate
RACE OUTBOARDJP 3.0L DFI
RACE OUTBOARD JP 3.0L DFI Solenoid Plate
Electrical Plate Components
RACE OUTBOARD 300XS (3.2L) Electrical Plate Components
Solenoid Plate
MERCURY/MARINER 200/225/250 (3.0L) EFI Solenoid Plate
Electrical Plate Components
RACE OUTBOARD 250 SPORTXS DFI (3.0L) Electrical Plate Components