Mercury Mercruiser Marine - BRKT-CLAMP-P-GRAY (#3411-821773A2)

PRICE:
$108.50
$98.89

Part #: 3411-821773A2

This product is no longer available.

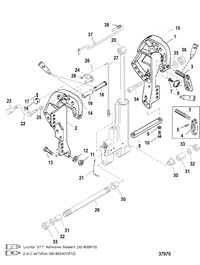
BRKT-CLAMP-P-GRAY
BRKT-CLAMP-P-GRAY

Mercury Assemblies

CLAMP BRACKET
MERCURY30 JET (3 CYL.)
MERCURY40 (3 CYL.)
MERCURY50 (3 CYL.)
MERCURY/MARINER 40/50 H.P. JET 30 (3 CYL.) CLAMP BRACKET
Clamp Bracket, Remote Control
MERCURY 25 (4- STROKE) Clamp Bracket, Remote Control
Clamp Bracket
MARINER25 (4-STROKE)
MERCURY 25 (4- STROKE) Clamp Bracket
Clamp Bracket
MERCURY/MARINER 25 (4-STROKE) Clamp Bracket
Clamp Bracket, Remote Control
MERCURY/MARINER 25 (4-STROKE) Clamp Bracket, Remote Control
CLAMP BRACKET
MARINER30 (2 CYL.)
MARINER40 (2 CYL.)
MERCURY/MARINER 30/40 H.P. CLAMP BRACKET
CLAMP BRACKET(NON BIGFOOT)
MERCURY40 (4-STROKE)
MARINER45 BODENSEE (4-STROKE)
MERCURY50 (4-STROKE)
MERCURY50 BIGFOOT (4-STROKE)
MERCURY/MARINER 40/50 /45 BODENSEE/50 BIGFOOT 4-STROKE CLAMP BRACKET(NON BIGFOOT)
CLAMP BRACKET(GAS ASSIST TRIM)
MERCURY/MARINER 30/40 H.P. CLAMP BRACKET(GAS ASSIST TRIM)